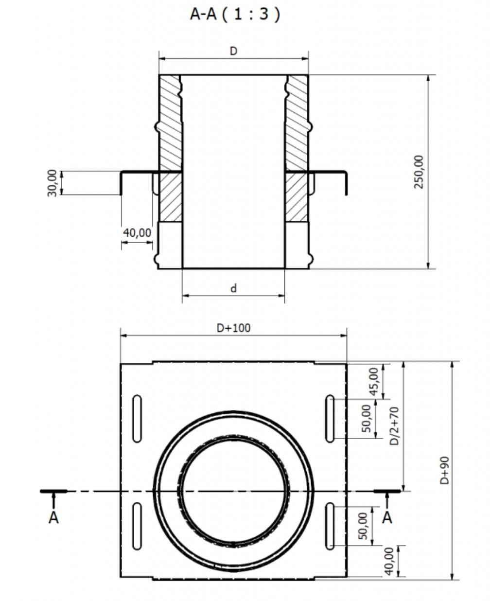
Komínová odľahčujúca konzola, ø 130/190 mm, systém IZOL EKO 06
je nosný prvok izolovaného komína. V kombinácii so vzperami konzoly sa používa ako zakladací diel a to ako klasického komína s t-kusom, tak zvislého dymovodu s funkciou komína. Pokiaľ je konzola inštalovaná so vzperami ako zakladací diel klasického komína, je možné pod ňou umiestniť kondenzátnu nádrž, ktorá v tomto prípade slúži ako čistiaci a revízny diel (nemusí sa teda použiť klasický dvierkový čistiaci diel).
Odľahčujúcu konzolu je nutné inštalovať čo 10m výšky komína.
Parametre:
vnútorný priemer: 130 mm
vonkajší priemer: 190 mm
výška: 250 mm
hr. vnútorné vložky: 0,6 mm (trieda nerezu 1.4404)
hr. izolácia: 30 mm
hr. vonkajšieho plášťa: 0,5 mm (trieda nerezu 1.4301) - lesk
Systém BOKRA IZOL EKO 06
je trojzložkový nerezový komínový systém a je ideálnym riešením na výstavbu nových komínov. Komínové diely sa skladajú z vnútornej nerezovej vložky hrúbky 0,6mm, tá je izolovaná špeciálnou minerálnou vlnou hrúbky 30mm a opláštená nerezovým plechom hrúbky 0,5mm s vysoko lesklým povrchom. Tento systém je určený na odvod spalín od spotrebičov na plynné, kvapalné aj tuhé palivá. Je vyrábaný v priemeroch od 130mm až do 300mm (individuálna výroba až do 500mm). Systém obsahuje celý rad komponentov vrátane kotviacich prvkov, čo prináša neobmedzené možnosti pri zostavovaní komínov. Jednotlivé dielce sú pozdĺžne zvárané plazmou a vo svojej hornej časti opatrené hrdlom výšky 60mm, ktoré umožňuje ľahké, bezpečné a pevné spoje. Pre spevnenie a statické zaistenie je každý spoj fixovaný vonkajšou sponou. Jednotlivé systémy BOKRA je možné vzájomne kombinovať.
Charakteristika systému
- tr. nerezu: 1.4404 (vnútorné), 1.4301 (vonkajšie)
- priemer od 130mm do 300mm
- teplota práce max. 450°C
- hr. steny 0,6mm (vnútorné), 0,5mm (vonkajšie)
- hr. izolácia 30mm (špeciálna minerálna lona s objemovou hmotnosťou min 100kg/m3)
- podtlaková prevádzka
Použitie systému
- výstavba nových komínov (vnútorné aj vonkajšie komíny)
- RD aj priemysel
Prednosti systému
- vysoká kvalita
- dlhá životnosť
- nízka hmotnosť
- rýchla a jednoduchá montáž
- široká použiteľnosť
- variabilita
- vhodné pre spotrebiče 5. emisnej triedy
















